24小时客户服务热线:18913139319
Phone: 18913139319
Email: wangqian@zhouchengsh.com
用户中心
首 页
关于上银
公司简介
上银产品
上银直线导轨
上银滚珠丝杠
单轴机器人
大银产品
直线电机
上银动态
新闻动态
联系上银
首 页
关于上银
公司简介
上银产品
上银直线导轨
上银滚珠丝杠
单轴机器人
大银产品
直线电机
上银动态
新闻动态
联系上银
About HIWIN
首页
上银动态>
新闻动态>
新闻动态
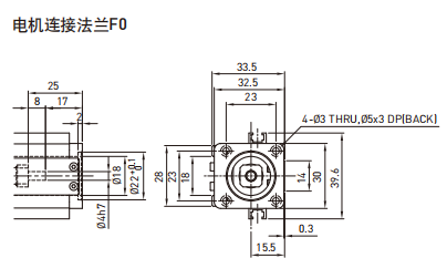
单轴机器人:电机法兰一览 KE030、KE050
2026-02-11
KE030
KE050
上一篇:
单轴机器人:电机法兰一览 KE040、KE065
下一篇:
单轴机器人:KE系列 KE050型号规格(双滑座)
最新文章
单轴机器人:适用电机对照表-松下 Panasonic 伺服电机、安川 Yaskawa 伺服电机
0
2026-04-03
单轴机器人:适用电机对照表-松下 Panasonic 伺服电机、安川 Yaskawa 伺服电机
单轴机器人:特点 电子齿轮比与模拟编码器输出
0
2026-04-03
单轴机器人:特点 电子齿轮比与模拟编码器输出
热门产品
KC 系列 单轴机器人
KS 系列 单轴机器人
KA 系列 单轴机器人