24小时客户服务热线:18913139319
Phone: 18913139319
Email: wangqian@zhouchengsh.com
用户中心
首 页
关于上银
公司简介
上银产品
上银直线导轨
上银滚珠丝杠
单轴机器人
大银产品
直线电机
上银动态
新闻动态
联系上银
首 页
关于上银
公司简介
上银产品
上银直线导轨
上银滚珠丝杠
单轴机器人
大银产品
直线电机
上银动态
新闻动态
联系上银
About HIWIN
首页
上银动态>
新闻动态>
新闻动态
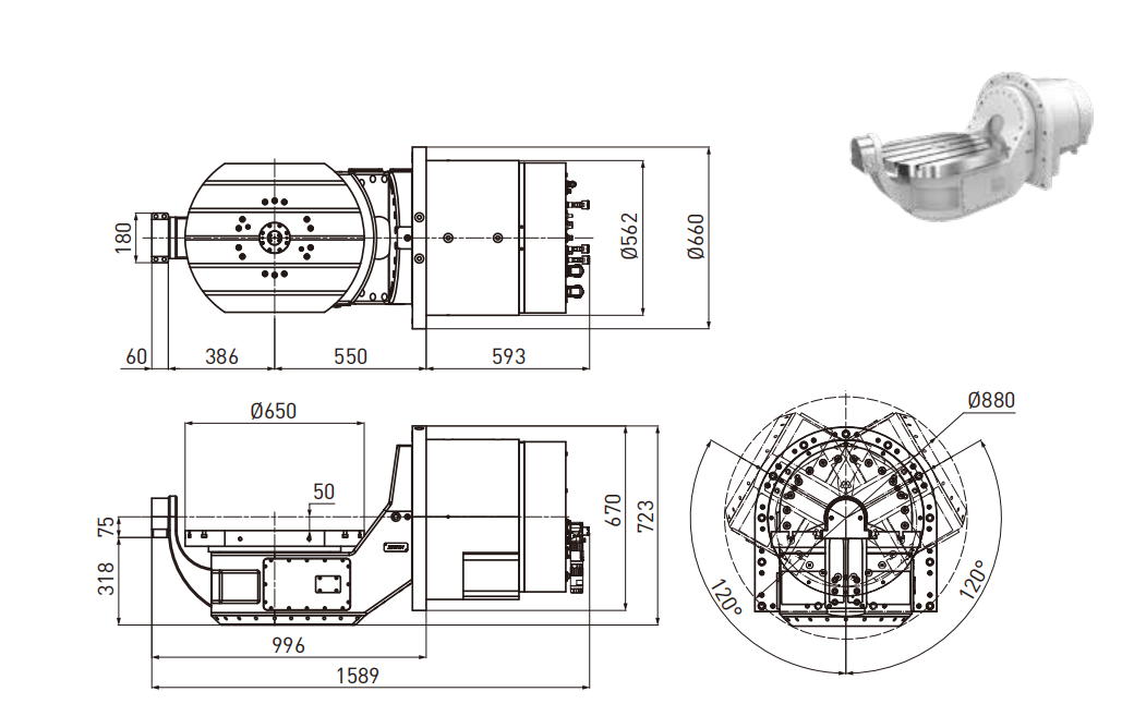
回转工作台-RAS 系列-RAS-170、RAS-650
2025-11-19
RAS-170
(单位
:mm
)
RAS-650
(单位
:mm
)
上一篇:
回转工作台-RAS 系列-产品特性产业应用
下一篇:
回转工作台-RAB系列-产品特性、产业应用
最新文章
单轴机器人:特点 抑制震动功能
0
2026-04-01
单轴机器人:特点 抑制震动功能
单轴机器人:润滑油脂-HIWING07高频、短行程专用润滑脂
0
2026-04-01
单轴机器人:润滑油脂-HIWING07高频、短行程专用润滑脂
热门产品
KC 系列 单轴机器人
KS 系列 单轴机器人
KA 系列 单轴机器人